繁體
  • 简体中文
  • 繁體中文

熱門資訊> 正文

3D芯片時代,這個問題要重視

2022-07-08 10:52

I.引言

自 1959 年 MOSFET 和 1963 年 CMOS 發明以來,CMOS 電路成為低功耗電池供電應用(如數字手錶和便攜式儀器)的首選技術。隨后,光刻技術(lithography scaling) 使CMOS踏入高性能計算的競爭行列中。Dennard 1974年對CMOS 縮放(CMOS scaling)原理的總結根據摩爾定律進一步為微電子行業提供了科學的縮放(scaling)方向。然而,到 2005 年,平面 MOSFET的亞閾值泄漏阻止了 Vth、Vdd 和頻率按比例縮放,這很大程度上打破了Dennard 縮放原理(scaling principle)。雙柵極 (SOI) 和三柵極 (FinFET) 的發明使通道得到了更好的控制,從而載流子不會逃逸到襯底。環柵(例如:納米線和納米片)MOSFET 的溝道被柵電極包圍,具有更好的靜電控制,從而減少了泄漏並提高了載流子遷移率。使用多納米片,單位面積內的有效寬度W (W_eff) 也得到改善,與 FinFet 器件相比,允許適度的密度縮放。業界即將對 CMOS 縮放(CMOS scaling)進行更多改進。ForkFET 在 PMOS 和 NMOS 之間使用了阻擋層,可以讓 PMOS 和 NMOS 彼此靠近放置,從而提高晶體管密度並降低 PMOS 和 NMOS 之間的互連 RC。PMOS 和 NMOS 相互堆疊的互補FET (CFET) 顯着減少了 PMOS 和 NMOS 之間的互連,這是因為垂直堆疊上的互連比水平佈線短得多。當可以更好地解決熱和可測試性挑戰時,未來的技術進步可能允許單片製造更多層的 MOSFET(單片 3D 集成)。

總體趨勢是 CMOS 縮放速度已經放緩,根據IRDS(國際設備和系統路線圖)預計將在 2034 年達到極限。隨着晶體管尺寸越來越小,柵極間距的減小使得源極/漏極更加難以形成良好接觸,從而對良率和性能調整提出了更多挑戰。對於數字處理器來説,持續的器件縮放(device scaling)可能有好處,而對於模擬信號處理單元(例如 IO、無線電或高壓電路)來説,保留在較舊的技術節點上更好。這就需要異構集成。已經表明,芯片分解可能有助於提高性能、外形尺寸、成本和上市時間。在最初成功將 HBM(高帶寬內存)堆棧與處理器集成在同一封裝中以滿足 AI/ML 和超級計算中的數據密集型工作負載的需求之后,3D-IC 現在正在形成(taking shape for)主要的高性能計算產品。

在本文中,我們討論了 3D-IC 時代的互連。第二部分回顧了器件縮放(device scaling)尤其是與器件互聯相關的趨勢和限制。第三部分討論了各種應用的芯片到芯片互連,並提供了水平芯片到芯片連接和垂直芯片到芯片堆疊的設計解決方案。第 IV 節側重於特別是與抖動、功率和通道優化有關的互連性能分析。最后在第五節,討論了一些未來趨勢。

II. 器件縮放趨勢和 3D-IC

CMOS 光刻現在處於亞 10nm級(sub 10nm space),發展向 3nm 及以下。總體趨勢是接觸多晶硅間距 (CPP)、物理柵極長度 (Lg)、鰭片間距、最小金屬間距 (MP) 和接觸 CD(臨界尺寸)繼續縮小,但速度較慢。一個限制因素是源極/漏極間距。如圖 1 所示,由於finFET 或納米片 3D 結構 的接觸面積/間距減小,MOSFET 的源極/漏極的外部電阻以及柵極和源極/漏極之間的側壁耦合電容和邊緣電容會隨着特徵尺寸的縮小而降低,導致帶寬和功率的改進微不足道。對於模擬應用,過大的柵極、源極和漏極電阻會降低 gm、ft 和 fmax。由於米勒效應,柵極/漏極之間的側壁電容效應更為明顯,它會影響高速電路的上升/下降時間,從而對功耗和抖動產生不利影響。考慮到邏輯設計的密度縮放和高速電路的性能要求,可以提供多個間距,寬間距器件適用於更低的寄生 RC從而使ft更高。還進行了器件和技術的協同優化,以通過金屬柵極的雙帶來降低柵極電阻。先進節點后道工藝(back end of line,BEOL)的電阻效應並沒有變得更好。爲了解決因積極縮放(aggressive scaling)而導致生產線中端(MEOL)和后道工藝(BEOL)互連電阻率和可靠性的關鍵和緊急問題,該行業加快步伐在新材料和新工藝方面尋求突破。

圖1.MOSFET中的寄生R&C 圖1.MOSFET中的寄生R&C

簡而言之,器件縮放會產生成本,尤其是在模擬、高速 IO 或 RF 電路方面。設計成本和製造成本使做單片 SoC 的效率降低。通過多個小芯片的封裝集成來進行芯片分解是自然路徑(the natural path)。

由於3D-IC的優勢,主要處理器設計供應商現在正朝着 3D 芯片集成的方向發展。3D-IC採用水平連接和垂直堆疊的形式,通過不同工藝和封裝技術在較小芯片上製造的計算核心、加速器、內存、緩存、IO、電源管理功能(function)可以像樂高積木一樣拼湊在一起。每個功能都針對功率、性能和麪積進行了優化。我們即將迎來標準化小芯片接口和 3D 集成流程(flow)。短期內,專有解決方案仍然流行。

可以預見,不同於MOSFET的新技術將逐漸出現。例如,隧道 FET (TFET) 或電阻式 RAM (RRAM) 等新技術可能共存或替代現有 DRAM,以降低功耗和泄漏。技術遷移會採用進化路徑(evolutionary path)演變成另一種功率、熱、帶寬或縮放效率更高的技術,而不會突然脱離歷史上非常成功的 MOSFET 技術。3D-IC加速了RRAM、TFET、碳納米管、光子學等新技術的採用。

3D-IC 集成的主要優勢是更好的互連能效,減少訪問延迟。3D堆疊允許顯着減少塊間佈線距離。在計算核心附近放置更多內存可以讓 CPU 提高性能,因為總佈線長度減少了,內存訪問帶寬和延迟也因此大大提高。例如,片外存儲器訪問能量約為 10+pJ/bit,訪問延迟約為 100ns。由於更高的封裝內(in-package)數據帶寬,延迟降低了。

3D 集成技術中有一些成分(ingredients) 可以在各種應用中排列形成各種各樣的 2.5D 或 3D 結構。從根本上説,這些技術變體可以分為兩類:一是垂直連接,例如晶片上芯片、晶片上晶片,使用 uBump、鍵合或絕緣/硅通孔 (TIV/TSV) 將兩個不同的芯片連接在一起。水平連接依靠通過基板或中介層的佈線來連接兩個芯片。不同的產品採用有機中介層、硅中介層、硅橋、RDL(重新佈線層)over Molding或襯底路線等各種佈線介質(wiring media)。關鍵設計考慮因素是密度、損耗、串擾、成本和可製造性。中介層介電常數、凸塊間距/尺寸、線寬/間距和 TIV/TSV 直徑/高度會影響互連密度和電氣性能。有機內插器(organic interposer)可實現更高的帶寬。有源內插器(active interposer)可能會為性能提供額外的好處。

III.低功耗芯片到芯片互連的設計

在這里,我們專注於芯片到芯片 (D2D) 互連技術,以應對芯片間通信的挑戰。D2D 互連設計有 3 個主要的 FOM(品質因數):線(或面積)帶寬密度、能源效率和延迟。對於橫向 D2D 連接電路,目前線帶寬密度(shoreline bandwidth density)>1Tbps/mm,並且還在不斷增加。帶寬密度最終受限於芯片幾何形狀的物理約束(例如線寬度和凸塊間距),以及通道插入損耗和串擾帶來的性能約束。在水平情況下,我們的目標是 1.2-2.0 毫米的通道範圍。更長的覆蓋範圍是可能的(例如:更低的數據速率、通道均衡、有源內插器(active interposer)或錯誤檢測和糾正),但代價是更低的帶寬密度、更長的處理延迟或更高的功率 。對於垂直 D2D 連接電路,F2F 互連的 D2D 互連長度幾乎可以忽略不計,而 F2B 互連的 D2D 互連長度則低於 100um。下面我們展示了針對水平集成和垂直集成調整的兩個 D2D 接口的設計,同時考慮了上述三個 D2D 互連 FOM。

水平 D2D 互連:圖 2(左)是並行 PHY 接口的高級電路架構,在 TSMC 的 N7/N5/N3 工藝中實現了轉發時鍾,作為支持水平 D2D 連接的基礎 IP。該設計以前是通過N7的測試芯片實現的。該系統已經過重新架構,以提高客户的能源效率和線帶寬密度(shoreline bandwidth density)。硅中介層(silicon interposer)上支持的最大通道長度可達 2mm。基本單元稱為通道,由1個公共通道和4個子通道組成。公共通道包括共享功能,例如時鍾生成、參考生成和驅動器含義校準(driver implication calibration)。每個子通道有 40 個 Tx 通道(lane)和 40 個 Rx 通道,以及一個時鍾單元。PHY 支持 2.8-8Gbps 的數據速率。這使得每個通道每個方向的最大總數據帶寬為 1280 Gbps。每個子通道中的冗余有兩個額外的通道(lane)。如果在 Tx 和 Rx 鏈路對之間的任何地方發生製造缺陷,則可以激活冗余通道來修復缺陷。為避免不必要的開銷,每 20 個通道中只有 1 個缺陷是可修復的。可以禁用不可修復的子通道或通道,但同時要將部分降級支持更少的數據帶寬。時鍾單元在一個子通道中的 40 個 Rx 和 40 個 Tx 數據通道之間共享。在時鍾單元中,在 Tx 時鍾路徑和 Rx 時鍾路徑中分別有一個 DCC(佔空比校正)電路跟隨一個去偏移環路(deskew loop)。發送去偏移環路(transmit deskew loop)用於將 SoC 時鍾域與PHY 時鍾域一致,接收去偏移環路用於將採樣時鍾與接收數據眼圖中心一致。圖 2(右)是兩個小芯片之間 D2D 接口的物理實現,有 3 種可能的配置(4+1、2+1 和 1+1)。首選使用情況是 4+1(4 個子通道和 1 個公共通道),這是最節能的,但也支持 2+1 和 1+1 以滿足對數據帶寬需求不太高的應用。凸塊間距為 40 微米。本質上,每個 Tx 或 Rx 電路可以佔據一個凸塊下方的部分區域。凸塊下方的其余區域用於時鍾分配或去耦電容。PHY 的電源從兩側(圖 2 右圖所示的頂部和底部)提供。用來支持晶圓級 KGD(已知良好芯片)測試期間探針卡(probe card)的探針墊(probe-pad)更大。每列有 12 個信號凸塊,每個凸塊運行速度高達 8Gbps。除去用於邊帶握手(side bands handshaking)、通道冗余的一些凸起,每個通道實現的線帶寬密度(shoreline bandwidth density)為 1.78Tbps/mm,能效為 0.36pJ/bit,面積為 1440x1010um²。

圖 2. 水平 D2D 互連 圖 2. 水平 D2D 互連

(左:電路架構,右:通道平面圖)

垂直 D2D 互連:各種 3D 芯片拓撲是可能的。圖3顯示了先進3D 集成中的多層芯片堆疊場景。外形尺寸(佈線長度、鍵合間距和 TSV 直徑)變得越來越緊湊和小。本設計中貼片間距為9um。由於減少了 D2D 互連長度 (<100um),與水平 D2D 互連相比,通道缺陷更少。每個通道的數據速率增加到 16Gbps。圖 4(左)顯示了 PHY 的架構圖。與水平 D2D 互連不同,時鍾單元現在跨 80 個數據通道共享,公共通道(lane)由兩個通道(channel)共享。這有效地減少了來自 PLL 和時鍾單元的電源開銷。每個通道每個方向的總最大數據帶寬保持為 1280Gbps。由於 PHY 現在受到電路限制(在這種垂直情況下,bond 面積為 81um²,而在水平情況下 ubump 面積為 1600um²),PHY 的平面圖更加緊湊,如圖 4(右)所示,每個 Tx/Rx 通道 佔用 6 個鍵 (6*81um²) 的面積。總體而言,實現的面積帶寬密度為 17.9Tbps/mm2,能效為 0.3pJ/bit,每個通道的面積僅為 378x378um²(不包括 PLL)。

圖 3. 垂直芯片堆疊 圖 3. 垂直芯片堆疊
圖 4. 垂直芯片到芯片互連 圖 4. 垂直芯片到芯片互連

(左:電路架構,右:通道平面圖)

IV.電路設計和性能優化

圖 5 是 Rx、Tx電路和 Rx 參考生成電路。Rx 使用基於傳統感應放大器的觸發器進行數據採集,參考電壓可通過 7 位電流 DAC 進行調節。Tx 驅動器是低壓擺幅 NMOS 驅動器,VDDQ 低至 0.3Volt,以降低驅動器功率和串擾。

圖 5. Rx 和 Tx 的電路實現 圖 5. Rx 和 Tx 的電路實現

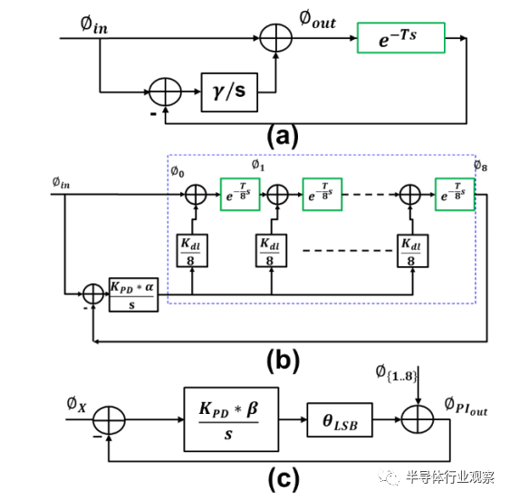
圖 6 顯示了去偏移環路(deskew loop),它由一個用於 8 相時鍾生成的 DLL(延迟鎖定環路)和一個用於時鍾相位調整的 PI(相位內插器)組成。DLL 從用於 Tx 的 ADPLL 獲取其輸入時鍾,並從 Rx_DQS(來自其他芯片的轉發時鍾)獲取輸入時鍾,。來自 DLL 的 8 相時鍾饋入 CMOS PI。PI 時鍾分配給 Tx(或 Rx)的時鍾樹,時鍾樹的端點也反饋到 PI 控制迴路中的 PD,強制時鍾端點與時鍾 Φx 相位對齊。發送去偏移 DLL 的 Φx 來自 SoC 時鍾域,它可能來自 PHY 中的 ADPLL 或來自 SoC 中的不同 PLL。接收去偏斜環路的 Φx 來自 8 相時鍾發生器的 Φ2,以創建與 Rx_DQS 的 90 度相移,從而允許接收時鍾與 Rx 數據眼圖中心對齊。PI 和 DLL 環路濾波器以數字方式實現。

圖 6. 去偏移環路(Deskew Loop)
圖 6. 去偏移環路(Deskew Loop)

具有延迟 T(T 是 DLL 輸入時鍾周期時間)的延迟元件的傳遞函數可以表示為 exp(-Ts)。圖 7 (a) 是一個線性化的 DLL,其中明確顯示了延迟元件。從噪聲傳輸的角度來看,DLL 是輸入時鍾噪聲的全通濾波器,在 DLL 帶寬附近有輕微的抖動放大。在圖 7 (b) 中,我們提供了一個更詳細的 8 相 DLL 模型,其中延迟元件及其控制增益級分為 8 段。這更準確地建模了整體抖動傳遞函數。圖 7 (c) 是 PI 控制迴路。可以相應地分析整體抖動傳遞函數。圖 8(左)顯示了 8 個輸出相位vs DLL 輸入相位的抖動傳遞函數。圖 8(右)顯示了 DLL + PI 傳遞函數的整體抖動傳遞,取決於所選的 DLL 相位(Φ1...Φ8)。很明顯,去偏移環路會放大抖動,從而導致轉發時鍾系統中的抖動跟蹤不完整。理想情況下,如果我們忽略延迟元素(即 exp(-Ts) = 1),則去偏斜環路是一個全通濾波器。因此,到去偏移環路輸入的轉發時鍾抖動(包括隨機抖動和電源抖動)將完全由數據接收器端的數據路徑上的抖動跟蹤,正如轉發時鍾架構所期望的那樣。請注意,DLL 和 PI 本身也會產生噪聲,但噪聲可以忽略不計,因為反相器緩衝區的深度僅為約 10 個反相器深度。DLL 延迟線的電源噪聲由 DLL 高通,由 PI 環路低通。如果 DLL 和 PI 環路之間存在帶寬失準,則 DLL 延迟線上的一些電源噪聲頻譜可能會泄漏到 PI 輸出。PI 的電源噪聲通過高通到輸出端。抖動影響是相似的。基於上述分析,時鍾抖動、PVT 偏移和電源下降將主要由去偏移環路跟蹤。殘余抖動,包括抖動放大部分、DLL 和 PI 自身產生的 Dj 和 Rj,以及時鍾和數據路徑不匹配導致的 Dj,會侵蝕眼圖裕度,是系統預算的一部分,通過行為仿真建模。

圖 7. 線性模型 (a) 傳統 DLL (b) 具有延迟元件的 8 相 DLL 模型 (c) PI 環路線性模型
圖 7. 線性模型 (a) 傳統 DLL (b) 具有延迟元件的 8 相 DLL 模型 (c) PI 環路線性模型
圖 8. 去偏移環路的抖動傳輸(左:從 DLL 時鍾輸入到 8 相輸出的抖動,右:整體去偏移環路抖動傳輸) 圖 8. 去偏移環路的抖動傳輸(左:從 DLL 時鍾輸入到 8 相輸出的抖動,右:整體去偏移環路抖動傳輸)

電源分配網絡對電源完整性很重要。必須儘量減少電路板、基板、中介層和芯片上電源網絡的 IR 壓降。在上電/斷電和電源管理期間,板載、封裝、插入器上(on-interposer)和/或片上去耦電容是抑制電壓紋波所必需的。圖 9 顯示了水平裸片到裸片互連的供電網絡性能,具有各種去耦電容選項:無去耦電容、帶有 TDC(頂部裸片電容)、eDTC(嵌入式深溝槽電容器)或 TDC 和 eDTC 的組合。基本上,包括片上 MOSCAP 和 MOM(金屬氧化物金屬)電容的 TDC 對高頻噪聲最有效。另一方面,eDTC 的電容密度大約比 MOM(金屬氧化物金屬)電容高 30 倍,但由於更高的 ESR(有效串聯電阻),可能不具有良好的高頻特性。爲了實現 20mVpp 的目標電壓噪聲,eDTC 在此特定設計中效率最高。這讓使用更少的片上decap來縮小 PHY面積成為可能。值得注意的是,如果使用的片上去耦電容不足,則通過片上 P/G 網絡的動態 IR 壓降可能會加劇串擾。圖中未顯示的 MIM(金屬絕緣體金屬)也是不錯的decap選擇。其電容密度是 MOM 電容的 3 倍至 10 倍,ESR 位於 TDC 和 eDTC 之間。

圖 9. 不同去耦電容的功率傳輸特性和電源噪聲 圖 9. 不同去耦電容的功率傳輸特性和電源噪聲

通道優化是 3D-IC DTCO(設計和技術協同優化)的一部分。用於水平 D2D 互連的封裝(設計 1 圖 10)具有高達 11mVrms ICN(集成串擾噪聲),FEXT/NEXT 為 -27dB,儘管中介層中有電源/接地屏蔽,如剖面圖所示圖 10。這不是 8Gbps 數據速率的問題。然而,爲了將線帶寬密度(shoreline bandwidth density)提高到 16Gbps 或 32Gbps(眼高和眼寬更加壓縮),需要改善串擾噪聲。圖 11 顯示了 Design2。添加電源/接地屏蔽凸塊可將串擾改善 8dB 以上。隨着我們增加每通道數據速率,線帶寬密度(shoreline bandwidth density)將增加,我們能夠在 28Gbps 通道速率下實現 7Tbps/mm 的峰值帶寬密度(圖 12)。然而,由於插入損耗和串擾惡化,高通道速率 (32Gbps) 下的帶寬密度變得更差。在更高的數據速率下,我們必須減少通道(lane)深度,這會降低線吞吐量(shoreline throughput)。

圖 10. D2D 互連串擾減少(凸塊頂視圖和中介層剖面圖) 圖 10. D2D 互連串擾減少(凸塊頂視圖和中介層剖面圖)
圖 11. 串擾和插入損耗 圖 11. 串擾和插入損耗
圖 12.線吞吐量(Shoreline throughput)
圖 12.線吞吐量(Shoreline throughput)

由於間距小(水平互連為 40um,垂直互連為 9um),因此無法直接探測芯片到芯片互連。內置自檢電路是檢查電路質量的必備工具,包括良率篩選和運行裕度。圖 13 顯示了 8Gbps 互連的基於誤碼率的眼圖掃描。在與其他小芯片集成之前用於篩選 KGD(已知良好芯片)的晶圓級測試,以及用於篩選 KGS(已知良好系統)的封裝部件測試是用於硅后驗證的 DFT 基礎設施的一部分。來自 KGD/GDS 的有缺陷的零件通過前面提到的冗余通道進行修復。

圖 13.片內眼裕量測試(On die eye margin test)(在 VDD=0.75 和 VDDQ=0.3 時測量)

V.討論與結論

圖14是水平互連和垂直互連的芯片顯微圖。8Gbps 版本是獨立 IP 驗證工具中具有生產價值的設計(相對於其中的測試芯片),主要關注電源和信號完整性以及通道設計協同優化。垂直 D2D 互連設計用於複雜的 3D 堆疊,用於 3D 封裝和工藝 DTCO。

圖 14. 芯片到芯片互連的顯微照片 圖 14. 芯片到芯片互連的顯微照片

(左:水平,右:垂直)

圖 15 是上述 8Gbps 水平 D2D 互連的晶圓級 KGD 測試的電壓和頻率 schmoo 圖。最初,需要將 Vcc_mim 提高到 0.82Volt 才能無錯誤。這是由探針卡針上的電源下降和 IR 下降以及內部電源下降(僅影響測試邏輯)造成的電壓紋波的根本原因。當數據傳輸活動被順序觸發時,Vcc_mim 降低到 0.7V。通過調整採樣時鍾位置,可以在 Vcc_min 為 0.64V時進一步提高裕量。實驗室分析表明,探針的 IR 壓降會消耗 30mV 的電壓裕度。對 16Gbps 垂直 D2D 互連進行了類似的裕量測試(圖 16)。

圖 15. 電壓和頻率 Schmoo 圖 (8Gbps)
圖 15. 電壓和頻率 Schmoo 圖 (8Gbps)
圖 16. 電壓和頻率 Schmoo 圖 (16Gbps)
圖 16. 電壓和頻率 Schmoo 圖 (16Gbps)

如果 PDN 網絡不健壯(robust),供應下降可能是一個嚴重的性能問題,如先前 shmoo 圖中的邊際損失所示。圖 17 顯示了主電壓域上的測量電流逐漸上升並穩定地達到穩定狀態,沒有明顯的擾動。

圖 17. 通道交錯通過順序激活數據通道來減少電壓紋波 圖 17. 通道交錯通過順序激活數據通道來減少電壓紋波

在我們的實現中,我們對發送數據接口使用去偏移循環來避免額外的 Tx FIFO 延迟。我們能夠實現 4ns 的總鏈路延迟。除非我們同步兩個互連小芯片的時鍾域,否則我們無法避免 Rx FIFO。其他類型的時鍾架構可用於最小化時鍾/數據路徑失配,同時減少偏斜和抖動影響。

如上所述,垂直芯片到芯片互連不受凸塊限制,不同於水平芯片到芯片互連。隨着晶圓鍵合技術向更緊密的鍵合間距發展,更簡單的互連拓撲可能比第 III 節中介紹的架構更加節能和具有更低延迟。通過更緊密的鍵合間距和更小的鍵合電容,每條通道(lane)的數據速率可以降低到 2Gbps 或更低,從而允許對芯片到芯片交叉電路使用簡單的反相器緩衝器,而時鍾域交叉則使用常規觸發器。可以消除包括時鍾單元和去偏移環路在內的所有開銷。仍然需要降低額定值的 ESD 結構。、儘管每條通道的數據速率較低,但由於更高的鍵密度,可以實現更高的面積帶寬密度和更好的能源效率。在適當的時序預算和跨芯片時序仿真的幫助下,整個 PHY 接口可以由 CAD 工具自動處理。圖 18 顯示了未來 3DIC 互連的前景。使用的品質因數是帶寬/能量效率比。串行 IO 將覆蓋 2.5D 互連,通道可達約 2mm。當凸塊間距約為 25um 時,串行 IO 有利於垂直芯片堆疊方案。通過減小間距和通道範圍 (~100um),數字 Lite-IO(即 CMOS 反相器)實現了 100 倍的帶寬/能效比。

圖 18. 3DIC 互連的前景 圖 18. 3DIC 互連的前景

總之,我們提出了 3DIC 時代的設計挑戰。CMOS 縮放正在接近其物理極限。3D-IC 是一種使計算系統能夠分解為不同技術節點中的許多小芯片的使能技術,並且由於減少了互連距離和增加了互連帶寬,還提供了更好的功率、性能、面積和成本方面的好處。我們展示了兩種用於水平和垂直 D2D 集成的互連技術,具有世界一流的能效和帶寬密度。我們展示了水平 D2D 互連的峰值帶寬密度可以達到 7Tbps/mm。垂直 D2D 互連的帶寬密度將隨着鍵距的縮小而繼續增長。

與現有技術狀態的比較如表 1 所示。

表1. 性能比較

作者

Shenggao Li, Mu-shan Lin, Wei-Chih Chen, Chien-Chun Tsai, Cheng-Hsiang Hsieh

TSMC Inc.

風險及免責提示:以上內容僅代表作者的個人立場和觀點,不代表華盛的任何立場,華盛亦無法證實上述內容的真實性、準確性和原創性。投資者在做出任何投資決定前,應結合自身情況,考慮投資產品的風險。必要時,請諮詢專業投資顧問的意見。華盛不提供任何投資建議,對此亦不做任何承諾和保證。